#Cách Làm Tường Cách Âm Đơn Giản Tại Nhà
Tìm hiểu cách làm tường cách âm tại nhà với những vật liệu cách âm [...]
Th6
#Cách Nối Ống Nước Âm Tường Rò Rỉ Hiệu Quả Tại Nhà
Ống nước âm tường bị rò rỉ gây ra rất nhiều rắc rối đến gia [...]
Th6
#Cách Sửa Đường Ống Nước Âm Tường Bị Rò Rỉ Tại Nhà
Hãy cùng Vatlieunhaxanh.com.vn tìm hiểu cách sửa đường ống nước âm tường bị rò rỉ [...]
Th6
#Hướng Dẫn Cách Bấm Dây Mạng Âm Tường Chuẩn Nhất
Có 2 chuẩn A, B cho dây mạng bấm, tùy theo bạn dùng dây mạng [...]
Th6
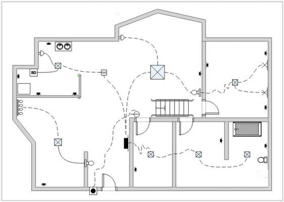
Sơ Đồ Đi Dây Điện Âm Tường Đúng Kỹ Thuật Nhất Hiện Nay
Trên thế giới, khoa học kỹ thuật không ngừng phát triển đổi mới hàng ngày [...]
Th6
#Miếng Dán Tường Cách Âm Là Gì? Công Dụng | Đặc Điểm Nổi Bật
Bất kì ai trong chúng ta chắc chắn đều mong muốn có được không gian [...]
Th6
#21+ Mẫu Gạch Kính Màu Lấy Sáng Đẹp Nhất & Báo Giá Tốt Nhất
Gạch kính màu lấy sáng ngày càng được ứng dụng cho nhiều công trình xây [...]
Th5
#Báo Giá Bê Tông Xốp Chống Nóng & Các Loại Phổ Biến Nhất
Ngày nay khoa học ngày càng tiên tiến và mọi thứ sẽ thay đổi, trong [...]
Th5
#Hướng Dẫn Thi Công Gạch Kính Lấy Sáng Chuẩn Nhất
Gạch kính được biết đến là vật liệu phổ biến có nhiều những ưu điểm [...]
Th5
#Báo Giá Gạch Kính Lấy Sáng Đủ Kích Cỡ Chính Hãng, Giá Rẻ
Gạch kính lấy sáng là loại vật liệu được làm bằng kính bên trong được [...]
Th5
