Trên thế giới, khoa học kỹ thuật không ngừng phát triển đổi mới hàng ngày đặc biệt là trong lĩnh vực xây dựng kết cấu cơ sở hạ tầng. Thiết kế sơ đồ điện trong công trình cũng từ đó mà đi lên vượt bậc. Nếu như ở những thập kỉ trước, trong các công trình xây dựng, hệ thống mạng điện sẽ được lắp bên ngoài thì hiện nay trong các thiết kế thi công mạng điện sẽ được lắp âm bên trong tường.

Vậy, cách đi điện âm tường là gì? Cách luồn dây điện âm tường có khó không? Sơ đồ đi điện âm tường đúng kỹ thuật nhất là như thế nào? Mời quý vị hãy cùng Nhà Xanh An Vinh tham khảo qua bài viết của chúng tôi dưới đây.
Mục Lục
Điện âm tường là gì? Vì sao cần phải có sơ đồ điện âm tường?
Điện âm tường là dòng điện được thiết kế cách đi điện âm tường vào bên trong tường chứ không lắp nổi ra bên ngoài. Đây là một bước tiến kỹ thuật đột phá khi xuất hiện được người tiêu dùng rất hài lòng vì độ đảm bảo an toàn cao và tính thẩm mỹ của nó. Cách luồn dây điện âm tường này được dùng phổ biến ở mọi không gian khác nhau: Nhà ở, công ty, văn phòng, các công trình lớn, nhỏ….
Bên cạnh những tính năng và thuận lợi mà sơ đồ đi dây điện âm tường mang lại như trên thì cũng có một vài điểm lưu ý như: Chi phí đầu tư, công và sửa chữa tốn kém hơn, trong quá trình sử dụng sẽ không tránh khỏi những lúc bị hư hỏng, việc thay thế sẽ phức tạp. Cần lựa chọn những vật liệu và sản phẩm điện uy tín như: sino, ruột gà, dây điện… để tránh thực trạng này xảy ra. Chính vì thế mà đây là lý do trước khi tiến hành đi điện âm tường cần phải có Sơ đồ đi dây điện âm tường chuẩn nhất.

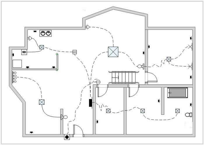
Sơ đồ đi dây điện âm tường
Cách đi điện âm tường chuẩn nhất:

Với khả năng ẩn đi hết dây điện vào bên trong tường,cách luồn dây điện âm tường sẽ giúp chúng ta không còn có cảm giác rườm rà, mất thẩm mỹ của điện đi ngoài tường. Cách đi điện âm tường làm cho không gian sống trong gia đình bạn trở nên tinh tế và hiện đại hơn. Cách luồn dây điện âm tường trở nên thuận lợi và mang lại hiệu quả cao trong việc lựa chọn màu sơn và chọn, bày trí nội thất cho không gian của bạn, việc này giúp cho chúng ta tiết kiệm được rất nhiều không gian và thời gian lắp đặt. Ngoài ra, đi điện âm tường hạn chế việc hư hỏng cháy nổ, rất an toàn cho người sử dụng.
Hướng dẫn cách đi dây điện đúng kỹ thuật nhất hiện nay:
Lên sơ đồ đi điện âm tường:

Trong mỗi thiết kế công trình đều có sơ đồ đi điện âm tường, các bạn nên giữ thật kỹ để trong quá trình sử dụng lâu dài sẽ không tránh khỏi bị hư hỏng. Từ đó, sẽ dựa vào sơ đồ để có cách đi điện âm tường và sửa chữa, thay thế nếu cần thiết.
Xác định vị trí:
Dựa vào bản thiết kế để xác định vị trí đi dây điện âm tường và xác lập vị trí nơi lắp các ổ điện đảm bảo hợp lý nhất. Đây là khâu khá quan trọng để có cách luồn dây điện âm tường chuẩn, bởi vì vị trí các ổ điện sẽ ảnh hưởng trực tiếp đến cách bày, trang trí nội thất cho gia đình bạn.

Dựa vào bản thiết kế để xác định vị trí đi dây điện âm tường
Thực hiện đi điện âm tường:
- Thứ nhất, tạo một rãnh tường dùng bút lông xác định đường đi của dây điện. Dùng máy khoan cắt tường theo đường đi của dây điện.
- Thứ hai, đi đường ống: Đường ống giúp cho cố định và thắt chặt dây nên các bạn cần chọn loại đường ống chịu nhiệt và không bị thấm nước.
- Thứ ba, luồn dây điện: Sau bước đi đường ống sẽ đến bước luồn dây điện. Việc làm này thường tiến hành trước khi hoàn thiện để tránh sai sót.
- Cuối cùng, dùng vữa trám lại phần tường theo đường đi của dây điện.

Trong mỗi thiết kế công trình đều có sơ đồ đi điện âm tường
Một số nguyên tắc khi luồn dây điện âm tường
Việc lựa chọn ống sino chuẩn là một trong những yêu cầu cần thiết để có thể luồn dây điện âm tường. Thường ống sino được sử dụng nhiều cho những công trình lớn như khách sạn, biệt thự, nhà hàng, quán karaoke… Còn đối với nhà ở cá nhân, các bạn có thể dùng gen ruột gà để giảm chi phí đầu tư. Dưới đây là một số lưu ý khi luồn dây điện âm tường:
- Dựa vào sơ đồ điện âm tường để đi đường điện và luồn dây cho hiệu quả.
- Chọn dây điện có hai lớp cách điện để đảm bảo lưu thông điện thông suốt, tránh hư hỏng, chập cháy khi quá tải hoặc rò rỉ không cần thiết.
- Trước khi luồn cáp hay dây điện thì hệ thống phải được lắp đặt hoàn chỉnh.

Thường ống sino được sử dụng nhiều cho những công trình lớn
- Nếu kết cấu bê tông như: trần nhà thì phải luồn dây trước khi đổ bê tông.
- Khi tiến hành luồn dây điện âm tường thì phải lựa chọn kích thước ống cho phù hợp do số dây điện nằm trong ống theo đúng tiêu chuẩn không được vượt quá 40%.
- Khoảng cách kẹp ôm giữ ống luồn từ 1,5 đến 2m.
- Các vị trí uốn cong thì nên dùng các loại ống dẫn mềm chống cháy cho phù hợp. Co cút không nên sử dụng vượt quá bốn góc vuông.
- Chia điện thành nhiều nhánh, nhiều át để dễ ngắt điện khi cần thiết. Tránh nơi khoan lỗ hay đóng đinh.
- Không đi điện âm tường ở những nơi ẩm ướt. Thông thường, hệ thống điện âm tường phải cách mặt đất từ 1 đến 1,5m.
Qua bài viết “Sơ đồ đi dây điện âm tường đúng kỹ thuật hiện nay” ở trên, chúng tôi hy vọng đã góp phần cung cấp đầy đủ thông tin cho các bạn tham khảo và áp dụng vào công trình của mình, để quá trình đi điện âm tường ngày càng phổ biến, mang lại giá trị thẩm mỹ cao. Hãy liên hệ với vatlieunhaxanh.com.vn để được tư vấn và chăm sóc tận tình nhất.
